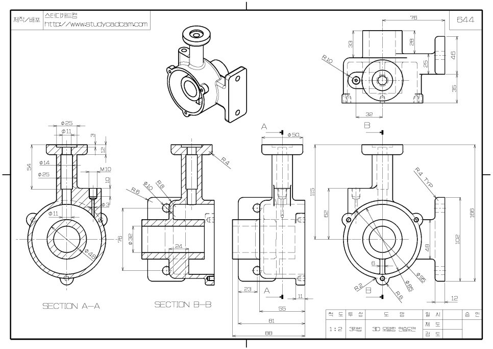
Poniżej przedstawiam galerię rysunków technicznych, które znalazłem w internecie i które posłużyły mi do nauki modelowania 3d. Wiele godzin pracy, prób i błędów pozwoliły mi na dosyć dobre opanowanie niezbędnych narzędzi i pojęć.
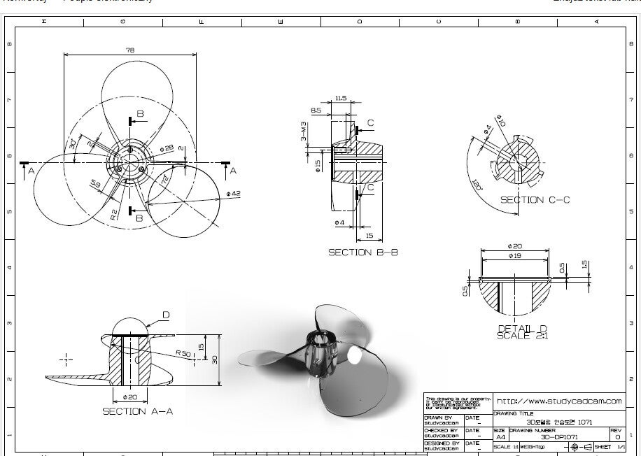
Poniżej przedstawiam galerię rysunków technicznych, które znalazłem w internecie i które posłużyły mi do nauki modelowania 3d. Wiele godzin pracy, prób i błędów pozwoliły mi na dosyć dobre opanowanie niezbędnych narzędzi i pojęć.
Stwórz łatwo własną witrynę internetową z Webador